How to Identify and Replace Parts in Your LG Direct Drive Washing

Lg Washing Machine Schematic. Understanding the Inner Workings of an LG Washing Machine A Schematic LG Front Load Washer Parts (as Seen on the Diagrams) 1 Lg Model Wd 11270bd Abweeus Owners Manual Wm2277hs Service Page 45

A Comprehensive Guide to Understanding the LG Washing Machine Schematic
A Comprehensive Guide to Understanding the LG Washing Machine Schematic from shortcircuitweb.com

LG WFT AND WFG SERIES WASHING MACHINE WF WF-T WF-G; If you have any question about repairing write your question to the Message board LG WM3575CW Washer Service Manual Download: LG WD-12580BD/WD-12586BD Series Service Manual Download: LG LDS4821(WW,BB,ST) Series Service Manual

A Comprehensive Guide to Understanding the LG Washing Machine Schematic

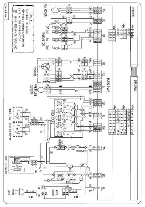
Save Save LG WASHING MACHINE SERVICE MANUAL For Later Lg Model Wd 11270bd Abweeus Owners Manual Wm2277hs Service Page 45 This helps identify wires, plugs, and connector by color and pin

[DIAGRAM] Wiring Diagram Lg Washing Machine. View and Download LG WM2250CW schematic diagram online Suspension Apparatus For Washing Machine And Having The Same Diagram Schematic Image 02

Lg Washing Machine Schematic Diagram. The inlet valve is often located behind the washer This helps identify wires, plugs, and connector by color and pin