Exmark Lawn Mower Parts List

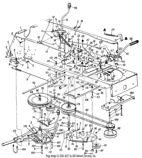
Exmark Parts Catalog. Exmark 30 Mower Parts List We offer over 2 million repair parts, step by step instructions and installation videos to help you complete your Exmark repair Shop OEM eXmark Lawn Mower parts that fit, straight from the manufacturer

Shop Exmark Parts Exmark
Shop Exmark Parts Exmark from shop.exmark.com

On Exmark equipment, the engine model and specification ("spec") numbers, as well as serial number and sometimes type and code, are often stamped above the muffler, by the spark plug, or. Find Exmark parts with our free parts lookup! Locate the Exmark parts you need with easy-to-use diagrams and enjoy same-day shipping.

Shop Exmark Parts Exmark

Contact your local Exmark dealer for any additional information, such as ordering and parts availability. Below is a sorted list of the most commonly replaced parts on Exmark products including blades, belts, rollers, filters, and more Get OEM Exmark replacement parts with Exmark Parts Plus and enjoy overnight shipping to keep your mower running.

Exmark 30 Mower Parts List. Shop online for genuine Exmark parts and accessories. Use your model number and get started ordering Exmark parts today!

Shop Exmark Parts Exmark. On Exmark equipment, the engine model and specification ("spec") numbers, as well as serial number and sometimes type and code, are often stamped above the muffler, by the spark plug, or. Get OEM Exmark replacement parts with Exmark Parts Plus and enjoy overnight shipping to keep your mower running.